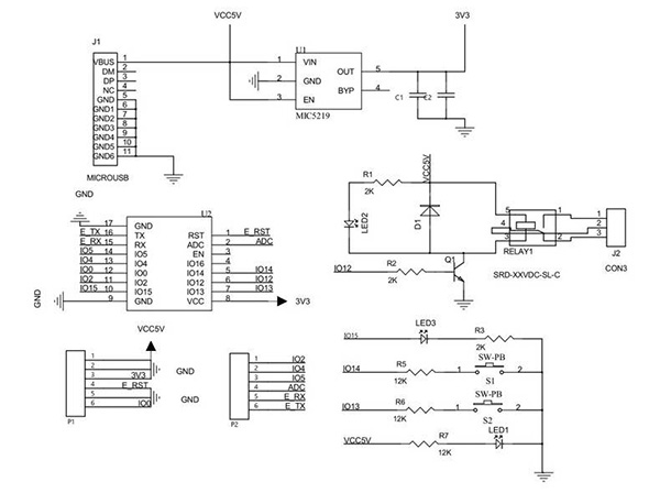
该智能开关平台包括服务端、硬件端、PC端和安卓端。硬件使用ESP8266模块,成本相对较低,可以发挥想象力,搭配各种传感器,实现自己的智能终端。码云最新源码>>
演示视频看这里>>>
群号:1073236354
应用场景:智能开关的应用场景比较广泛,一般家里通电即可使用的设备都能搭配该模块,升级为网络版,进行联网控制。常见的就是智能开关、智能插座和智能灯,搭配土壤湿度传感器可以实现智能浇灌,搭配温湿度传感器可以监控温湿度,其他传感器例如:触控开关、雨滴探测、声音传感器、光敏传感器、烟雾传感器、火焰报警、人体感应等等。
智能开关目前支持的功能:
- 远程控制
- 掉电记忆
- 触控开关
- 红外遥控
- 温湿度监测
- 本地控制
- 单双路继电器支持
- 智能配网(长按配置按钮进入)
- 不联网模式(双击配置按钮切换)
- 定时执行 (待完成...)
- 语音控制 (待完成...)
- 云端升级 (待完成...)
- 相关技术:Spring boot、MyBatis、Spring Security、Jwt、Mysql、Redis、Mongodb、MQTT
- 开发工具:IDEA
- 相关技术:ES6、Vue、Vuex、Vue-router、Vue-cli、Axios、Element-ui
- 开发工具:Visual Studio Code
- 相关技术:Smartconfig、GSON、OkHttp、讯飞语音
- 开发工具:Android Studio
- 相关技术: Arduino、ESP8266 Arduino Core、OneButton、IRromoteESP8266、PubSubClient
- 开发工具:Arduino IDE、Visual Studio Code
- 辅助工具:USB转TTL下载线、AC-DC降压模块(可选)、红外遥控模块(可选)、DHT11温湿度传感器(可选)、触控开关(可选)
- 硬件图片:硬件图片来自贝壳物联官网
- 硬件电路图:
- 电路接线图:(默认5V电压,如果要接220V交流电,需要搭配一个AC-DC降压模块)









